
In 2021 kon ik van David een mooie mixer overnemen, namelijk de Yamaha 01V. Dit is een digitale audiomixer, die gebouwd is eind jaren 90. Dit lijkt dus al best wel gedateerd, maar deze audiomixer blijkt nog steeds bijzonder bruikbaar te zijn voor in mijn shack. De kwalitatieve mic-amps en ADC/DAC’s, flexibele routering van alle audiokanalen, de effect processors en de dynamic processors zijn ook voor huidige maatstaven nog van uitstekende kwaliteit.
Er was echter één groot probleem met deze mixer. De PCM1702 DAC’s van de main-stereo output gaven geen geluid meer. De mixer heeft ook nog 4 “omni” output bussen, die je ook kan routeren als output, maar het missen van de centrale stereo-out vond ik toch lastig. De Omni bussen hebben bovendien wat lagere kwaliteit DAC’s, al zou ik dat niet zo snel horen in mijn toepassing.
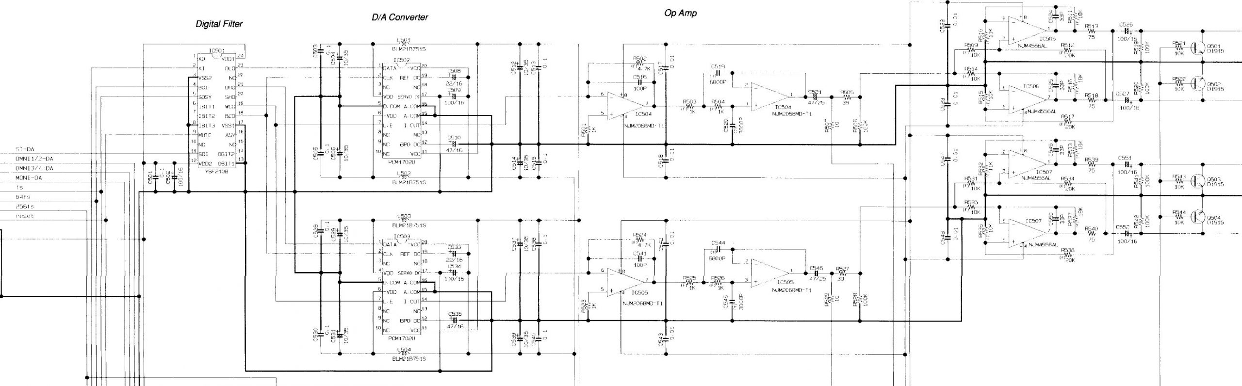
Ik ben vervolgens begonnen met het onderzoeken van de fout. Gelukkig was er een servicemanual te vinden op internet. Dus heb ik het betreffende schemadeel geanalyseerd:
De mixer maakt een digitaal serieel signaal, dit wordt aan een YSF210B oversampling digital filter aangeboden, die het naast het filteren ook nog splitst naar een voor links en rechts gescheiden digitaal serieel signaal voor de DAC’s. Deze PCM1702U DAC’s maken daar een analoog signaal van, wat in een dubbele opamp versterkt en gefilterd wordt. Daarna gaat het in een setje opamps om van dit asymmetrische audio een gebalanceerd symmetrisch audiosignaal te maken.

Ik ben eens van links naar rechts gaan meten met de oscilloscoop. De digitale seriële signalen van de YSF210B waren allemaal aanwezig. Ik kon zelfs het ritme van het audio herkennen in de variatie van de data. De PCM1702U DAC’s kregen dus ook data binnen. Ook kon ik de kloksignalen meten en die leken qua frequentie ook in orde. Ook de spanningen (+ en – 5V) waren in orde.
Ik kon geen analoog signaal meten op de uitgang van de DAC’s (pin 14). Vervolgens de DAC’s er uit gesoldeerd en een audiosignaal met een functiegenerator geïnjecteerd op dit punt. Deze toon kwam keurig uit de uitgang, dus alle opamps leken in orde. Er was ook geen sluiting te meten of wat dan ook.
Oeps, de DAC’s zijn dus echt stuk. Maar hoe kan het dat beide DAC’s stuk zijn? Ik ging zoeken op internet en dit komt met dit type best veel voor zag ik. Het zou volgens sommigen ook door een spike op de voeding kunnen zijn gebeurd. Maar volgens David zou het ook kristalvorming in de chips kunnen zijn geweest. Het is gissen, maar het is nou eenmaal zo. Dus op zoek naar vervangers.
Ze zijn bijna niet meer te koop. Het schijnen populaire DAC’s geweest te zijn bij audiofielen. En als een grote lichting dan ook nog stuk aan het gaan is, dan blijft er weinig meer over op de markt. Maar dit is natuurlijk voer voor de malafide verkopers die nep chips (counterfeit of fake in het Engels) aanbieden. En dat ook nog tegen een flinke prijs. Ik heb twee keer een setje besteld en beide setjes waren fake. Na het solderen merkte ik direct dat de chips bijzonder heet werden. Direct de mixer weer uit. Wat bleek; de voedingen werden kortgesloten.
De eerste set die ik bestelde was op Ali en die heb ik via een dispuut kunnen herstellen. Daarna op Ebay bij een Fransman besteld. Althans, dat leek zo. Het bleek een handelaar te zijn die precies dezelfde fake chips aan mij zond. Zelfde afwijkende opdruk (gouden kleur i.p.v. wit en precies dezelfde productie datumcode). Opvallend detail aan de datumcode; de productie van de chips was allang gestopt ten tijde van de datumcode die op de fakes gedrukt stond. Enfin, die moest ik terugsturen zodat de handelaar zeker wist dat ik hem niet aan het flessen was. Verzendkosten en veel tijd kwijt, maar wel mijn geld retour.
Toen stond ik voor het blok… nog een gokje wagen? Nou nog één keer dan dacht ik. Nu gelet op beschrijving en foto’s. Refund mogelijkheden waren goed… echter nooit aangekomen… geld terug … klaar… Dat was de laatste bestelling.

PCM5102
Intussen was ik met een ander project (SigmaDSP) bezig geweest met de flexibele PCM5102 DAC. Deze had David PE1MUD mij destijds aangeraden voor dat project en is inderdaad een superleuke chip. Ik had een PCB liggen met deze DAC, waar ook al de 3V3 spanningsregelaars op gesoldeerd waren en wat andere randcomponenten zodat hij ook op 5V goed kon werken. In kwalitatief opzicht is de PCM5102 bij 44.1k en 48kHz samplerate ongeveer gelijk aan de 1702’s, maar veel moderner in de zin van flexibiliteit, ondersteunde formaten, samplerates, etc. De eerder genoemde YSF210B filter heeft de 5102 DAC niet eens nodig, want die zit al ingebouwd.

Kenmerkend is wederom het seriële audio wat deze DAC gebruikt. Dat werd ook wel I2S genoemd. Ik vroeg mij af of het seriële data van de mixer geaccepteerd zou worden door de PCM5102. Toen ik David daarover vroeg, heeft hij datasheets geanalyseerd en hij zie me dat de kans van slagen heel erg groot zou zijn. Hij zei me dat ik de data vóór de YSF210B af moest tappen en dat de 5102 een aantal pinnen hoog en laag moest hebben en dat het seriële format LJ (left-justified) moest zijn. Dus proberen maar!
Lastiger dan wat draadjes solderen werd het niet. Het werkte in één keer! Hoe was dat mogelijk. Was Murphy met vakantie? Oke, één dingetje dan. De audiolevels waren te hoog. De 5102 output veel hoger dan de 1702’s. Dit is opgelost met meerslagen potmeters als spanningsdelers op de uitgangen, om het niveau te verlagen. Dit heb ik op het juiste niveau ingesteld met behulp van een onboard toongenerator in de mixer en DIGICheck in mijn RME geluidskaart. DIGICheck biedt op die manier een gekalibreerd meetinstrument. Het was bijzonder te zien, dat de toongenerator zo mooi klopte qua niveau over een zeer groot ingesteld bereik (van ca -80 tot 0dBfs perfect)

Toch kwam er een probleem naar boven na een tijdje de mixer gebruikte te hebben; het audio viel zo nu en dan weg op de uitgang van de DAC. Op den duur kwam er helemaal geen audio meer uit. Mixer weer open en gemeten. Eén ding werd me al wel meteen duidelijk, Murphy was helemaal niet op vakantie geweest. Ik had geen rekening gehouden met het feit, dat de Yamaha mixer nog met TTL 5V levels werkte. De PCM5102 is een 3.3V DAC. Die is dus langzaam gaan overlijden aan de inputs.
Ik heb daarom een Levelshifter (zo’n Arduino boardje) gemonteerd en dat leek goed te werken.

Ik merkte op de scoop wel, dat de bits niet meer mooi waren qua vorm en dat het wegvallen van het audio daardoor niet kon worden uitgesloten. Dit kwam door dat dit I2S signaal een paar MHz bandbreedte kent en daardoor krijg je demping en misaanpassing. Door de draadjes korter te maken, kon ik het best goed krijgen. Maar eigenlijk zou ik de bedrading op een ander punt moeten aftappen en wellicht met ik de draadjes vervangen voor korte transmissielijnen (coax bijvoorbeeld) met de juiste afsluitimpedantie. Dat komt wel een keer. Nu werkt het bijna altijd en als het goed is zal de DAC niet meer langzaam beschadigen door de te hoge ingangsspanning.

